描述
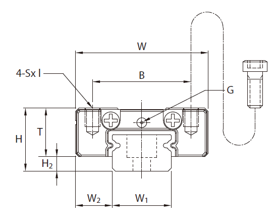
MSC-M/MSC-LM 尺寸表

註*: 單:單滑塊 / 雙:雙滑塊緊密接觸
註: 滾珠型系列線性滑軌基本額定動負荷的額定疲勞壽命為50km,將50km的額定疲勞壽命的C換算成100km的額定疲勞壽命的C100
可利用下式C=C100 × 1.26
| 單位:mm |
| 型號 | 外形尺寸 | 滑塊尺寸 | |||||||||
| 高度 H |
寬度 W |
長度 L |
W2 |
H2 |
B |
C |
S ×l | L1 | T | G | |
| MSC 7M MSC 7LM |
8 | 17 | 23.6 33.0 |
5 | 1.5 | 12 | 8 13 |
M2 × 2.5 | 13.5 22.9 |
6.5 | Ø 0.8 |
| MSC 9M MSC 9LM |
10 | 20 | 31.1 41.3 |
5.5 | 2.2 | 15 | 10 16 |
M3 × 3 | 19.9 30.1 |
7.8 | Ø 1 |
| MSC 12M MSC 12LM |
13 | 27 | 34.6 47.5 |
7.5 | 3 | 20 | 15 20 |
M3 × 3.6 | 20.5 33.4 |
10 | Ø 1.5 |
| MSC 15M MSC 15LM |
16 | 32 | 43.5 60.6 |
8.5 | 4 | 25 | 20 25 |
M3 × 4.2 | 26.9 44 |
12 | G-M3 |
| 型號 | 滑軌尺寸 | 基本額定負荷 | 容許靜力矩 | 重量 | |||||||||||
| 寬度 W1 |
高度 H1 |
節距 P |
E std. |
D × h × d |
動負荷C kN |
靜負荷Co kN |
Mp N-m |
MY N-m |
MR N-m |
滑塊 g |
滑軌 kg/m |
||||
| 單* | 雙* | 單* | 雙* | ||||||||||||
| MSC 7M MSC 7LM |
7 | 0 -0.05 |
4.7 | 15 | 5 | 4.2 x 2.3 x 2.4 | 0.94 1.36 |
1.28 2.24 |
2.6 7.4 |
15.33 37.92 |
2.6 7.4 |
15.33 37.92 |
4.7 8.3 |
7 13 |
0.22 |
| MSC 9M MSC 9LM |
9 | 0 -0.05 |
5.5 | 20 | 7.5 | 6 x 3.3 3.5 | 1.71 2.52 |
2.24 3.92 |
6.1 17.4 |
33.46 84.63 |
6.1 17.4 |
33.46 84.63 |
10.8 18.8 |
15 24 |
0.33 |
| MSC 12M MSC 12LM |
12 | 0 -0.05 |
7.5 | 25 | 10 | 6 x 4.5 x 3.5 | 2.62 3.77 |
3.52 5.72 |
11.4 28.3 |
63.96 141.52 |
11.4 28.3 |
63.96 141.52 |
22.2 36.0 |
40 60 |
0.63 |
| MSC 15M MSC 15LM |
15 | 0 -0.05 |
9.5 | 40 | 15 | 6 x 4.5 x 3.5 | 4.52 6.47 |
5.70 9.26 |
24.7 61.0 |
132.17 295.87 |
24.7 61.0 |
132.17 295.87 |
44.4 72.2 |
71 100 |
1.02 |









